





Saturday /Sunday Delivery Available
Saturday/Sunday delivery available for orders placed between Thursday 12 pm Mid-Day - Friday 12 pm Mid-Day
Calculate Shipping Cost
Enter your postcode into the box below. Cost displayed is for all items in your basket. To View our shipping rates please click here.
Post Code:
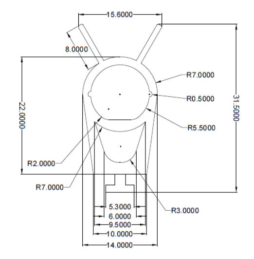
Safety Edge Rubber Roller Door Bottom Weather Seal - For 55mm Lath
- Safety Edge Rubber Seal, for a 55mm lath door.
- Slides into the aluminium track on the bottom of the roller shutter - easy, straightforward job
- We list various sizes to suit your door width - please select the size you require from the option drop-down box. If you need a length not listed, please contact us and we will be happy to add this length to the options
- Please see diagram that shows the seal dimensions - the important one being the 5.3mm size that slides into the bottom channel of your door - see our related products area below for the seals for the 77mm lath.
- Usually fitted to roller shutters that have the optical eyes in the sides for the safety edge. Also, to replace your old, hard & brittle weather seal which will not close the gaps under your door.
- Over time, the original seals perish, crack and break up or are damaged by rodents. This replacement not only looks better, but also prevents water ingress, draughts and leaves etc from blowing into your garage.
- Stock: In Stock
- Brand: Roller Doors
- Model: Safety Edge Seal - 55mm Double Chamber
£19.96
Ex Tax:
£16.63